Eメール:boe@boeep.com
低温タンクスラッジドライヤー
現在地: ホームページ » 製品 » スラッジドライヤー » 低温タンクスラッジドライヤー » 低温タンクスラッジドライヤー

loading

にシェア:
sharethis sharing button

低温タンクスラッジドライヤー

スラッジ低温タンクドライヤー
可用性ステータス:
数量:
  • BOE800XS

  • BOEEP

  • BOE

製品の紹介 スラッジ低温タンクドライヤー


BOE環境保護により開発された低温スラッジ乾燥装置は、水分含有量が10%~30%の水分含有量で乾燥する水分含有量で直接乾燥することができる。この還元は90%と同じになる可能性があり、効果的な滅菌は90%と同じくらい高い。低エネルギー消費量、汚染されていない、自治体の汚泥や工業用スラッジ(印刷および染色、製紙、電気めっき、化学工業、革、薬局など)では、乾燥還元のためのものではありません。 10%-30%の水分含有量の乾燥スラッジは、後でガス化、混合燃焼、堆肥化、建築材料およびその他の無害な資源処理を行うことができます。


渲渲图一

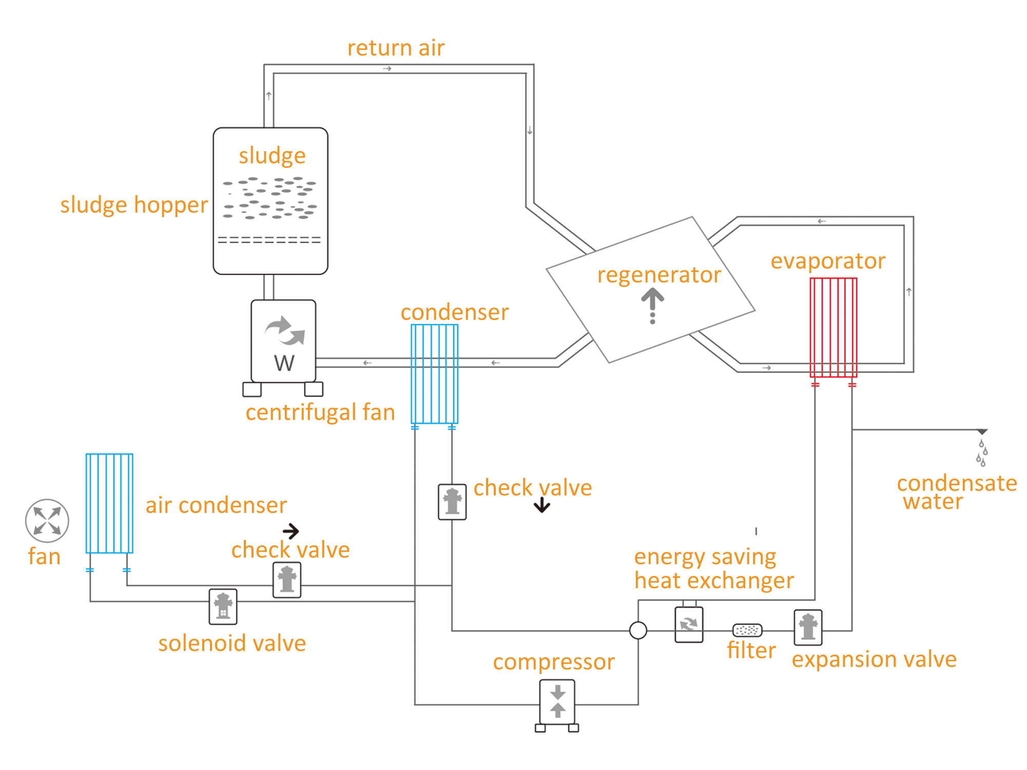
構造 の スラッジ低温タンクドライヤー


低温除湿、凝縮乾燥、安全、強い熱感受性を有する材料に適した

閉じた乾燥、臭いの脱出、小さい床の空間、低民事建設費

低エネルギー消費量、0.25-0.5KW.H / 1000KG.H 2 O、長寿命、短い設置・デバッグ・サイクル

80%から10%の水分、独特の3層泥バケット設計、高効率から乾燥する

全自動運転、簡単な操作と保守


技術仕様 の スラッジ低温タンクドライヤー


石式干化原理図

モデルデータ


JZ8620F0JTOCVA59VH2W9


お問い合わせはこちら!


前: 
次: 
ブーツは廃水処理装置の製造業者およびエンジニアリングサービス企業として20年以上の専門的な経験を持っています。

製品

クイックリンク

お問い合わせ

追加:10Zは非常に道路と陽の秒です、漢江、揚州、江蘇省、中国
Tel:+ 86-514-87848766
ファックス:+ 86-514-87894600
Eメール :boe@boeep.com
ハンドフォン:+86-18252568555
QQ:31609749
Skype/Wechat/Whatsapp:+86-18252568555
                著作権       ©2018 Jiangsu Boe Environmental Protection Technology Co., Ltd.     leadong /    サイトマップ